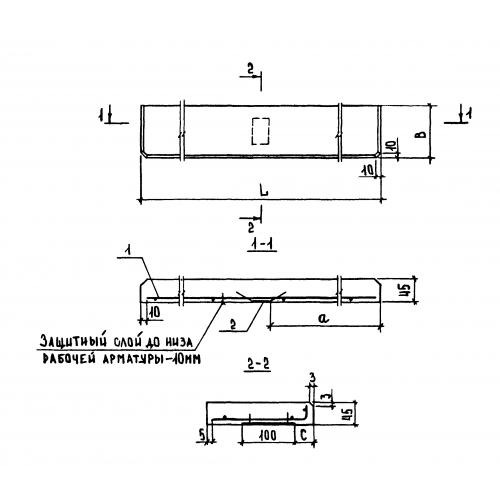
ПОШ 22.25 плиты подоконные

Чертеж изделия:
Характеристики изделия:
ПараметрЗначение
длина2200 мм
ширина250 мм
высота45 мм
масса62 кг
нормативный документГОСТ 26919-86

ПОШ 22.25  Плиты подоконные, имеют мозаичную шлифованную поверхность, так как в бетон добавлена мраморная щебенка, ГОСТ 26919-86.