Д 22

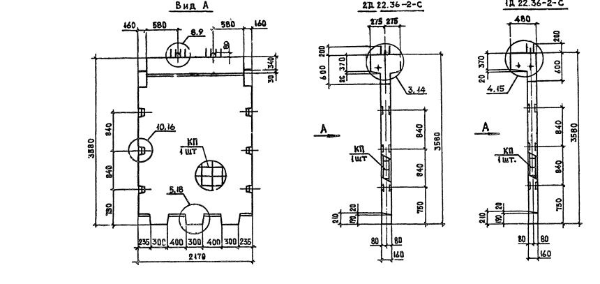
Чертеж изделия:
Характеристики изделия:
ПараметрЗначение
длина2170 мм
ширина550 мм
высота3580 мм
масса3400 кг
нормативный документСерия 1.020.1-2с/89

Д 22  Диафрагмы жесткости Серия 1.020.1-2с/89.