Д 56
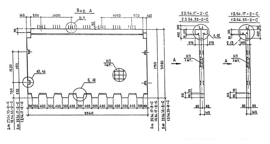
Характеристики изделия:
| Параметр | Значение |
|---|---|
| длина | 5560 мм |
| ширина | 550 мм |
| высота | 3280 мм |
| масса | 4800 кг |
| нормативный документ | Серия 1.020.1-2с/89 |
Цена:
Рассчитать стоимостьД 56 Диафрагмы жесткости Серия 1.020.1-2с/89.
| Параметр | Значение |
|---|---|
| длина | 5560 мм |
| ширина | 550 мм |
| высота | 3280 мм |
| масса | 4800 кг |
| нормативный документ | Серия 1.020.1-2с/89 |
Д 56 Диафрагмы жесткости Серия 1.020.1-2с/89.