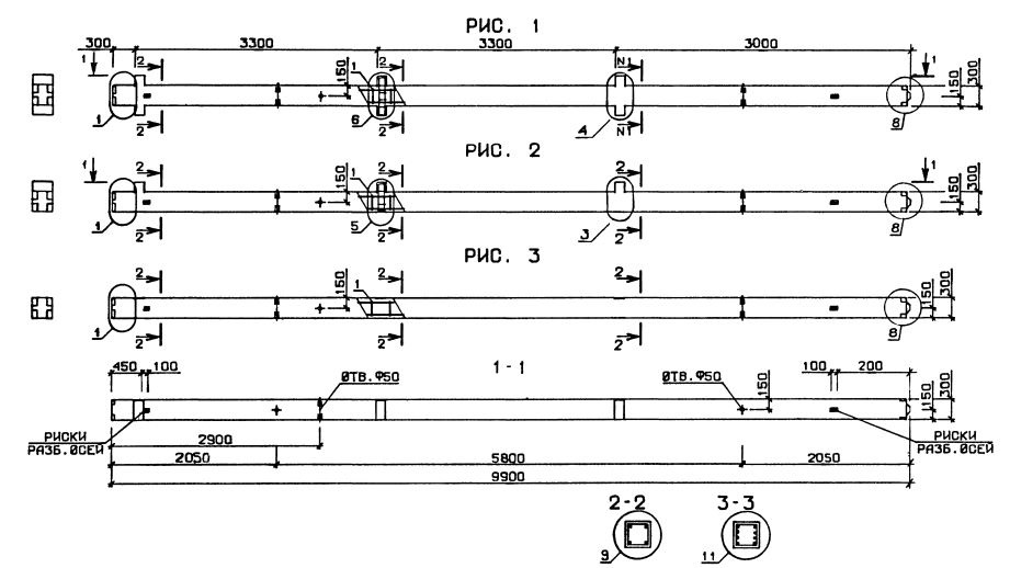
3КД 3.33

Чертеж изделия:
Характеристики изделия:
ПараметрЗначение
длина9900 мм
ширина300 мм
высота600 мм
масса2440 кг
нормативный документСерия 1.020.1-3пв

3КД 3.33  Колонны двухконсольные Серия 1.020.1-3пв.