ПСЦ 30.45.25

Чертеж изделия:
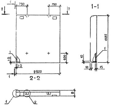
Характеристики изделия:
ПараметрЗначение
длина2980 мм
ширина4485 мм
высота250 мм
масса4480 кг
нормативный документСерия 1.020.1-3пв

ПСЦ 30.45.25  Панели стеновые цокольные Серия 1.020.1-3пв.