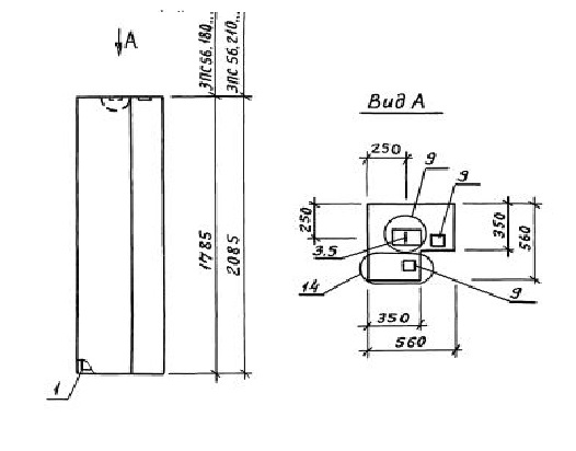
ПС 56.180.35 панели стеновые

Чертеж изделия:
Характеристики изделия:
ПараметрЗначение
длина560 мм
ширина350 мм
высота1785 мм
масса680 кг
нормативный документСерия 1.030.1-1/88

ПС 56.180.35  Панели стеновые Серия 1.030.1-1/88.