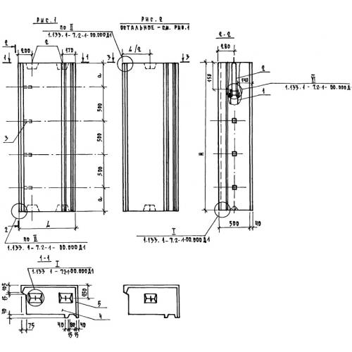
1БНТ 6.22.50

Чертеж изделия:
Характеристики изделия:
ПараметрЗначение
длина660 мм
ширина500 мм
высота2180 мм
вес900 кг
серия1.133.1-7

1БНТ 6.22.50 Блоки простеночные температурных швов по серии 1.133.1-7.