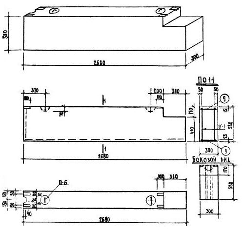
ВБ-27.6.3

Чертеж изделия:
Характеристики изделия:
ПараметрЗначение
Длина2680 мм
Ширина300 мм
Высота580 мм
Масса800 кг
Нормативный документСерия 1.134-1

ВБ-27.6.3   Блоки внутренних стен горизонтальные по Серии 1.134-1.