ПК 27.18

Чертеж изделия:
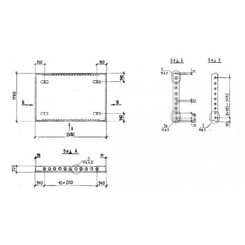
Характеристики изделия:
ПараметрЗначение
длина2680 мм
ширина1790 мм
высота220 мм
вес1575 кг
серия1.141.1 КЛ-3

ПК 27.18 Плита перекрытия с круглыми пустотами по серии 1.141.1 КЛ-3.