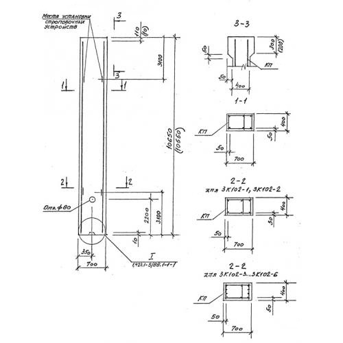
3К 102 колонны

Чертеж изделия:
Характеристики изделия:
ПараметрЗначение
длина10650 мм
ширина700 мм
высота400 мм
масса7500 кг
нормативный документСерия 1.423.1-5/88

3К 102 Колонны  Серия 1.423.1-5/88.