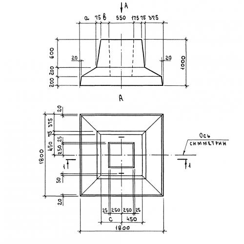
4Ф 18.18

Чертеж изделия:
Характеристики изделия:
ПараметрЗначение
длина1800 мм
ширина1800 мм
высота1000 мм
масса3500 кг
нормативный документСерия 1.812.1-1/92

4Ф 18.18  Сборные фундаменты под колонны Серия 1.812.1-1/92.