ПСД 12.12.25

Чертеж изделия:
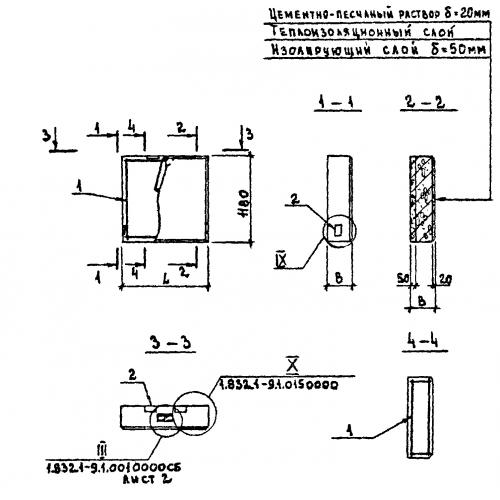
Характеристики изделия:
ПараметрЗначение
длина1180 мм
ширина250 мм
высота1180 мм
вес560 кг
серия1.832.1-9

ПСД 12.12.25 Панели стеновые двухслойные по серии 1.832.1-9.