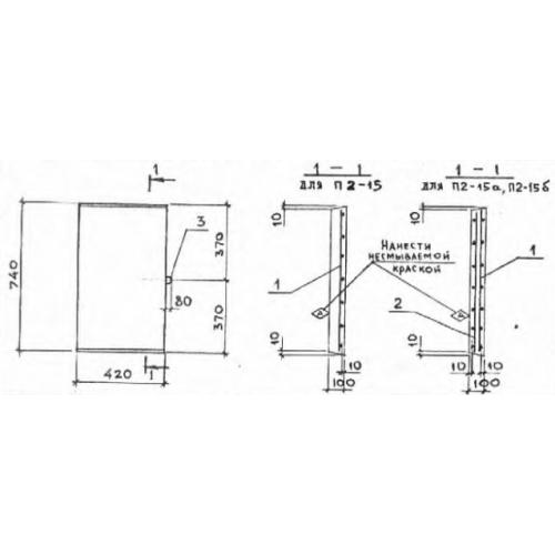
П 2

Чертеж изделия:
Характеристики изделия:
ПараметрЗначение
длина740 мм
ширина420 мм
высота100 мм
вес80 кг
серия3.006-2

П 2 Плиты перекрытия лотков по серии 3.006-2.