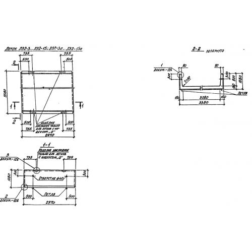
Л 32

Чертеж изделия:
Характеристики изделия:
ПараметрЗначение
длина2970 мм
ширина3380 мм
высота1080 мм
масса6150 кг
нормативный документСерия 3.006.1-2/82

Л 32  Лотки теплотрасс Серия 3.006.1-2/82.