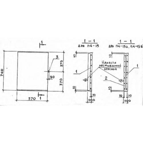
П 4

Чертеж изделия:
Характеристики изделия:
ПараметрЗначение
длина740 мм
ширина570 мм
высота100 мм
масса110 кг
нормативный документСерия 3.006.1-2/82

П 4  Плиты перекрытия лотков Серия 3.006.1-2/82.