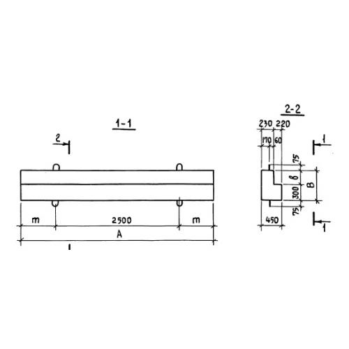
Б 48

Чертеж изделия:
Характеристики изделия:
ПараметрЗначение
длина5280 мм
ширина450 мм
высота700 мм
масса3000 кг
нормативный документСерия 3.006.1-3/83

Б 48 Балки тоннелей Серия 3.006.1-3/83.