ЛК 75.180.90 лотки

Чертеж изделия:
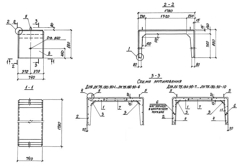
Характеристики изделия:
ПараметрЗначение
длина740 мм
ширина1780 мм
высота880 мм
масса730 кг
нормативный документСерия 3.006.1-8

ЛК 75.180.90  Лотки каналов Серия 3.006.1-8.