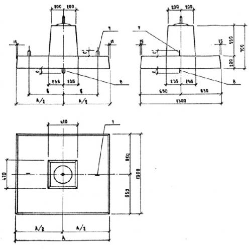
МФ 1.3 Малозаглубленный фундамент

Чертеж изделия:
Характеристики изделия:
ПараметрЗначение
длина1000 мм
ширина1300 мм
высота700 мм
масса880 кг
нормативный документСерия 3.407.1-159

МФ 1.3  Малозаглубленные фундаменты по Серии 3.407.1-159.