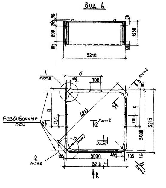
СБО 3.3-1 к7

Чертеж изделия:
Характеристики изделия:
ПараметрЗначение
Длина3210 мм
Ширина3215 мм
Высота1230 мм
Масса4200 кг
Нормативный документСерия 3.702.1-4

СБО 3.3-1 к7  Силосный блок объёмный по Серии 3.702.1-4.