ОН-6

Чертеж изделия:
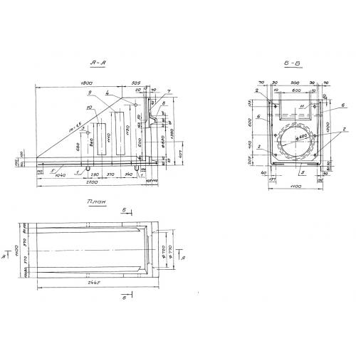
Характеристики изделия:
ПараметрЗначение
длина2445 мм
ширина1100 мм
высота1390 мм
масса1850 кг
нормативный документСерия 3.820-6

ОН-6  Оголовки с ныряющими стенками по Серии 3.820-6.