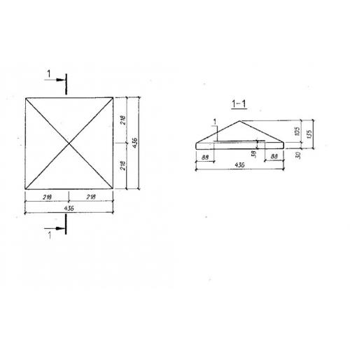
КБ 3 крышка бетонная

Чертеж изделия:
Характеристики изделия:
ПараметрЗначение
длина436 мм
ширина436 мм
высота135 мм
масса25 кг
нормативный документСерия Б 3.300.1-5.04

КБ 3 Крышки бетонные по Серии Б 3.300.1-5.04.