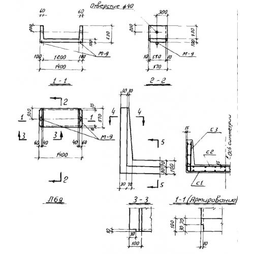
Л 6 д лотки доборные

Чертеж изделия:
Характеристики изделия:
ПараметрЗначение
длина570 мм
ширина1400 мм
высота530 мм
масса300 кг
нормативный документСерия ИС 01-04

Л 6 д   Железобетонные лотки доборные по Серии ИС 01-04.