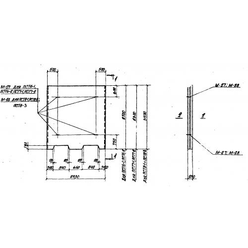
ПСТ 7

Чертеж изделия:
Характеристики изделия:
ПараметрЗначение
длина2980 мм
ширина2800 мм
высота250 мм
вес5000 кг
серияИС 01-05

ПСТ 7 Плиты стеновые по серии ИС 01-05.