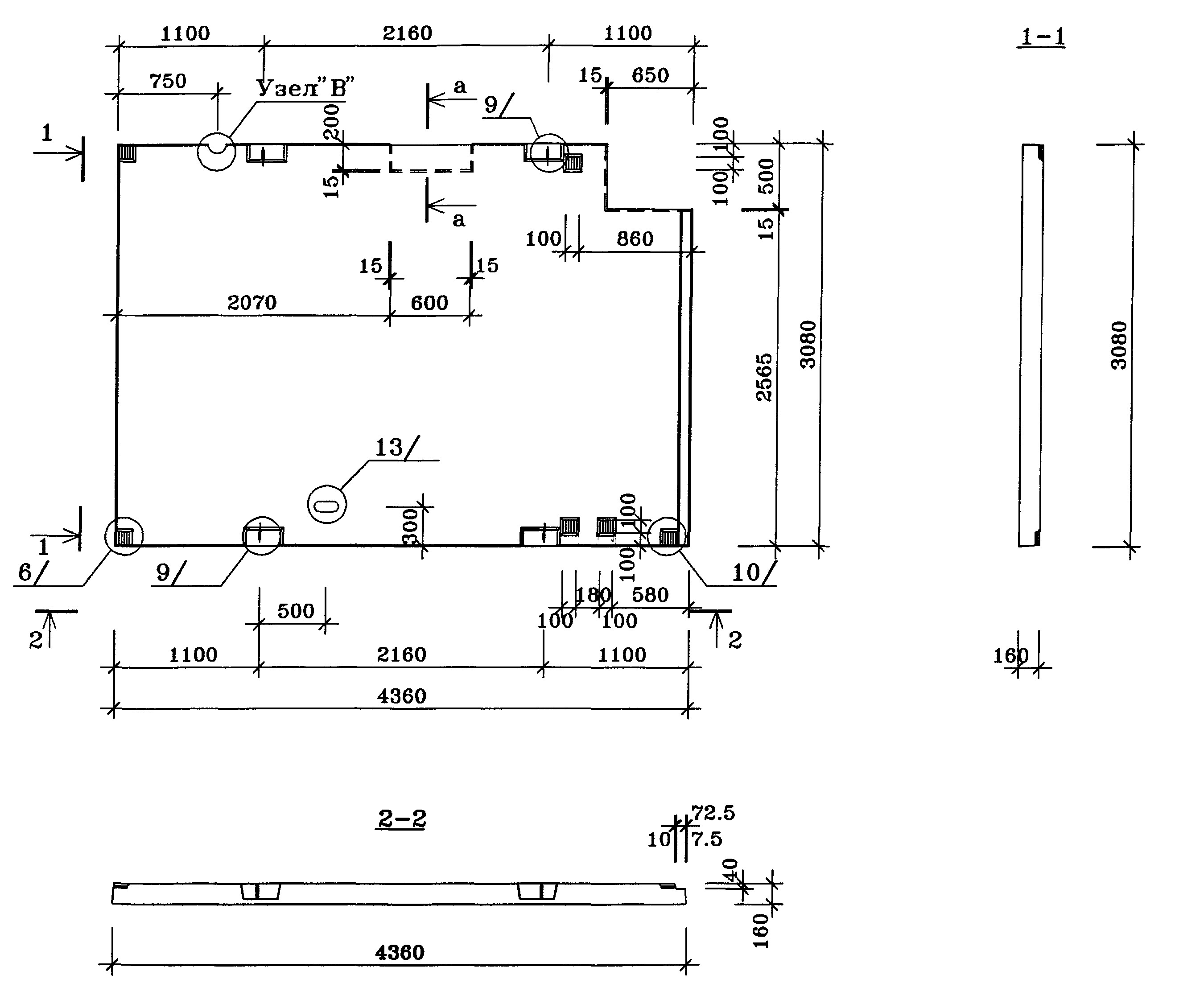
ПЛХ 5-1
Характеристики изделия:
| Параметр | Значение |
|---|---|
| Длина L | 4380 мм |
| Ширина В | 3080 мм |
| Высота Н | 160 мм |
| Вес | 4935 кг |
| Серия | ИЖ 4.2-1 |
| Норма погрузки на машину (20тн) | 4 шт |
| Вагонная норма погрузки | - |
Цена:
Рассчитать стоимостьПлита лифтового холла ПЛХ5-1 изготавливаются по чертежам серии ИЖ 4.2-1 и предназначены для возведения лестниц при строительстве жилых зданий с высотой потолка 3 метра.
