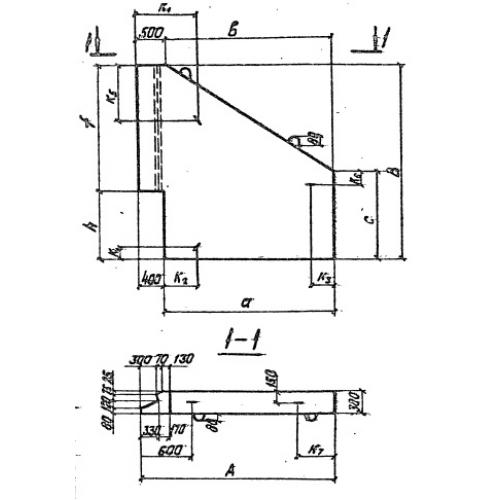
СТ 7

Чертеж изделия:
Характеристики изделия:
ПараметрЗначение
длина3220 мм
ширина300 мм
высота3110 мм
масса5200 кг
нормативный документШифр 2175РЧ

СТ 7 Стенки откосные по Шифру 2175РЧ.