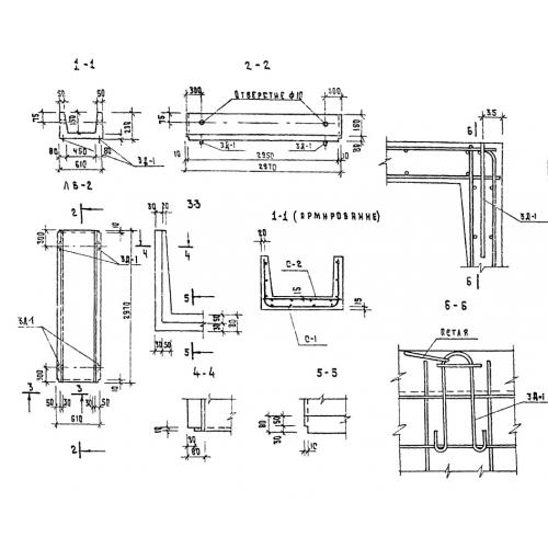
ЛБ-2
Характеристики изделия:
| Параметр | Значение |
|---|---|
| длина | 2970 мм |
| ширина | 610 мм |
| высота | 230 мм |
| вес | 500 кг |
| серия | ТП 320-55 |
Цена:
Рассчитать стоимостьЛБ-2 Лотки железобетоные. Малые архитектурные формы и элементы благоустройства улиц, дорог, площадей по серии ТП 320-55.
